
| 型式 MODEL |
最高使用壓力 MAX.PRESSURE kgf/c㎡ |
最大流量 MAX.FLOW LPM |
重量 WEIGHT (kg) |
| MTC-02-A,B | 250 | 50 | 1.3 |
| MTC-02-W | 1.5 | ||
| MTC-03-A,B | 250 | 100 | 2.8 |
| MTC-03-W | 3.0 | ||
| MTC-06-A,B | 250 | 180 | 13.0 |
| MTC-06-W | 13.5 |
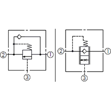
CML積層閥,積層型附止逆流量控制閥MTC-02,MTC-03系列型號參考:
MTC-03-W-1 , MTC-03-B-1 , MTC-03-A-1 , MTC-02-W-1 , MTC-02-B-1 , MTC-02-A-1 , MTC-03-W-K , MTC-03-B-K , MTC-03-A-K , MTC-02-W-K , MTC-02-B-K , MTC-02-A-K , MTC-03-W-1-K , MTC-03-B-1-K , MTC-03-A-1-K , MTC-02-W-1-K , MTC-02-B-1-K , MTC-02-A-1-K , MTC-03-W , MTC-03-B , MTC-03-A , MTC-02-W , MTC-02-B , MTC-02-A























